Home
Wish List (
0
)
About Us 🍁
Our Services
RCCE Blog
ISO9001
Login
Logout
Contact Us
0 item(s) - CAD 0.00
MENU
! Equipment Rental
+
> Brand: HIOKI
Battery Tester
Current Sensor
Data Recorder
DMM/Field-testing
LCR Tester
Micro-ohmmeter
Miscellaneous
Motor Testing
MR6000 Data Recorder
Power Meters and Analyzers
PQ3198/PQ3100 Power Quality Analyzer
PW8001/PW4001- Power Analyzers
Safety Testing
+
> Brand: AEMC
Clamp-on Meters
Data Loggers
Digital multimeters
Electrical Testing Tools
Environmental Testing
Ground Tester
Handheld-oscilloscopes
Megohmmeters
Micro-ohmmeters
Miscellaneous
Power Analyzers and Energy Loggers
+
> Brand: GRAPHTEC
+
> Brand: DV Power
* Catalog
Battery Testing
Circuit Breaker Testing
Coil Analyzers
Demagnetizer
Micro Ohmmeter
Motor Testing
Sweep Frequency Response Analyzer
Tap Changer and Winding Analyzer
Transformer Ratiometer
Transformer Tester
+
> Brand: BAUR
* Application Guide
* FAQ
* Literature
* Videos
* Videos - Partial Discharge
Cable Fault Locating
Cable Identification / Tracing / Pin-pointing
Cable Test Vans
Hi-Pot
Partial Discharge (PD)
Surge Generator
Time Domain Reflectometry (TDR)
Transformer Insulating Oil Testing
Very Low Frequency (VLF)
+
> Brand: Siglent
DC Electronic Load
DMM
Oscilloscope
Oscilloscope - Accessories
Power Supply
RF Generator
Spectrum Analyzer
Spectrum Analyzer - Accessories
Spectrum Analyzer - Calibrator
Waveform Generator
+
! Resources
! Linecard
* Catalogs and Brochures
* FAQ
* Product Selection Guides
* Videos
HIOKI-Application-Notes
+
SPECIALS
+
Home
»
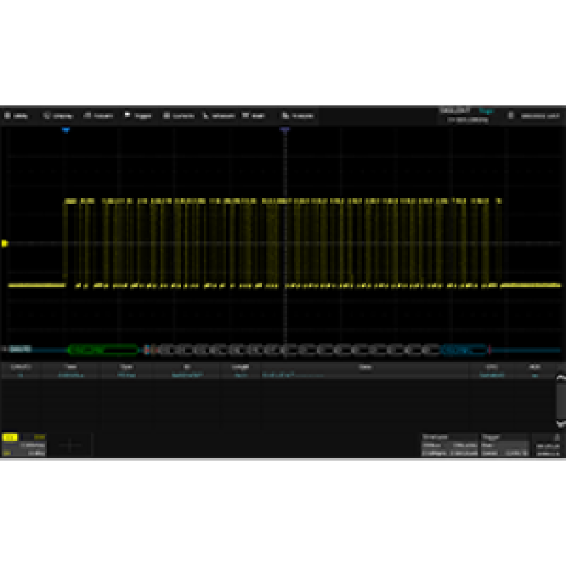
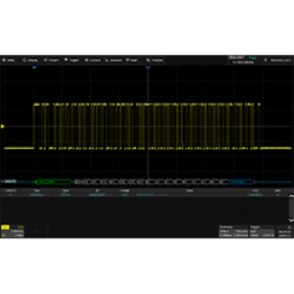
SDS5000HD-CANFD - Siglent SDS5000X HD Options: CAN FD trigger & decode (software)
SDS5000HD-CANFD - Siglent SDS5000X HD Options: CAN FD trigger & decode (software)
Click Image for Gallery
Brand:
SIGLENT
Product Code:
SDS5000HD-CANFD
Availability:
In Stock
CAD 648.00
Qty:
Add to Cart
Add to Enquiry List
Add to Compare
Description
CAN FD trigger & decode (software)
Tags: