Home
Wish List (
0
)
Product Compare
Manufacturers
Checkout
RCCE Blog
YouTube
ISO9001
PROUDLY CANADIAN 🍁 SINCE 1983
Login
Register
Contact Us
0 item(s) - CAD 0.00
MENU
! Equipment Rental
+
> Brand: HIOKI
Battery Tester
Current Sensor
Data Recorder
DMM
LCR Tester
Micro-ohmmeter
Miscellaneous
Motor Testing
MR6000 Data Recorder
Power Meter
PQ3198/PQ3100 Power Quality Analyzer
Safety Testing
+
> Brand: AEMC
Clamp-on Meters
Data Loggers
Digital multimeters
Electrical Testing Tools
Environmental Testing
Ground Tester
Handheld-oscilloscopes
Megohmmeters
Micro-ohmmeters
Miscellaneous
Power Analyzers and Energy Loggers
+
> Brand: GRAPHTEC
+
> Brand: DV Power
* Catalog
Battery Testing
Circuit Breaker Testing
Coil Analyzers
Demagnetizer
Micro Ohmmeter
Motor Testing
Sweep Frequency Response Analyzer
Tap Changer and Winding Analyzer
Transformer Ratiometer
Transformer Tester
+
> Brand: BAUR
* Application Guide
* FAQ
* Literature
* Videos
* Videos - Partial Discharge
Cable Fault Locating
Cable Identification / Tracing / Pin-pointing
Cable Test Vans
Hi-Pot
Partial Discharge (PD)
Surge Generator
Time Domain Reflectometry (TDR)
Transformer Insulating Oil Testing
Very Low Frequency (VLF)
+
> Brand: Siglent
Accessories - Scope
Accessories - Spectrum Analyzer
Calibrator - Spectrum Analyzer
DC Electronic Load
DMM
Oscilloscope
Power Supply
RF Generator
Spectrum Analyzer
Waveform Generator
+
! Resources
! Linecard
! NEW - Affiliate Program
* Catalogs and Brochures
* FAQ
* Product Selection Guides
* Videos
HIOKI-Application-Notes
+
SPECIALS
+
Home
»
Brand
»
SIGLENT
»
SDS7000A-FlexRay - Siglent Oscilloscope Option - FlexRay trigger & decode (software)
SDS7000A-FlexRay - Siglent Oscilloscope Option - FlexRay trigger & decode (software)
Click Image for Gallery
Brand:
SIGLENT
Product Code:
SDS7000A-FlexRay
Availability:
In Stock
CAD 854.55
Qty:
Add to Cart
Add to Enquiry List
Add to Compare
Description
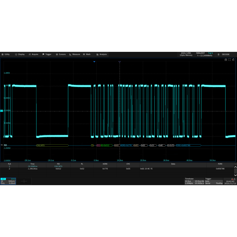
Siglent Oscilloscope Option - FlexRay trigger & decode (software)
Tags: